Search
乐竞平台防雷作为风电防雷领域的先行者,以其卓越的技术和全面的解决方案,为风电行业提供了强…
发布时间 : 2025-10-08
大家对电源防雷器的认知有一个误区:认为设备被雷击是小概率事件,因此安装电源防雷器是多余…
发布时间 : 2025-10-08
有些客户会有疑问,电源防雷器能用多久?是不是只能防一次雷击就坏了呢?今天乐竞平台小编就带…
发布时间 : 2025-10-08
很多人可能会有这样的疑问:雷电的电压那么大,电流那么强,为什么雷雨天我们在室内不会触电…
发布时间 : 2025-10-08
电梯井防雷器的选型问题,很多朋友比较困惑,到底要怎么选?今天小编来和大家聊聊电梯井防雷…
发布时间 : 2025-10-08
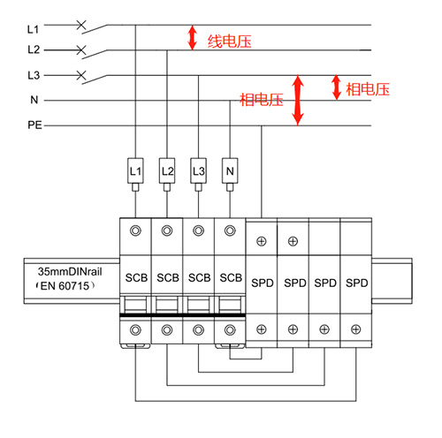
很多人在进行浪涌保护器选型的时候,经常发现这样一个问题:为什么线路电压是380v或440v,而…
发布时间 : 2025-10-08
许多商家在购买了浪涌保护器之后,是否仍然不知道浪涌保护器怎么安装,也不知道浪涌保护器…
发布时间 : 2025-10-08
T1级后备保护器在电路中被安装在浪涌保护器前端,用于保护浪涌保护器不被短路电流烧坏或引起…
发布时间 : 2025-10-08
浪涌保护器在低压配电系统的防雷保护中被广泛地使用,因为浪涌保护器本身为损耗行元器件,其…
发布时间 : 2025-10-08
我们知道一级浪涌保护器、二级浪涌保护器、三级浪涌保护器等规格型号都很多,那么我们如何选…
发布时间 : 2025-10-08